Zastosowanie medycznego systemu informatycznego Acrel w malezyjskich szpitalach
Dom / Projekty / Szpital / Zastosowanie medycznego systemu informatycznego Acrel w malezyjskich szpitalach

Zastosowanie medycznego systemu informatycznego Acrel w malezyjskich szpitalach

Wraz z rosnącym wykorzystaniem elektronicznego sprzętu medycznego w szpitalach ryzyko prądu upływowego stwarza poważne zagrożenie dla bezpieczeństwa pacjentów, szczególnie w środowiskach intensywnej terapii. Podczas zabiegów chirurgicznych lub znieczulenia pacjenci są bezpośrednio podłączeni do różnych elektrod i czujników. Nawet minimalne prądy upływowe mogą spowodować porażenie prądem w przypadku bezpośredniego kontaktu wyrobów medycznych z ciałem człowieka.

Ponadto sprzęt podtrzymujący życie krytycznie chorych pacjentów musi działać nieprzerwanie. Jakakolwiek przerwa w zasilaniu może natychmiast zagrozić życiu pacjenta. Dlatego też szpitalne systemy elektryczne muszą ściśle odpowiadać normom krajowym, wdrażając systemy zasilania IT w wyznaczonych obszarach.

To studium przypadku przedstawia zastosowanie izolowanego systemu zasilania medycznego firmy Acrel w Malezji, obejmującego:

Dystrybucja zasilania IT w medycynie

Urządzenia monitorujące izolację

Systemy lokalizacji usterek

Skontaktuj się z nami
  • Przegląd projektu
  • Przegląd projektu
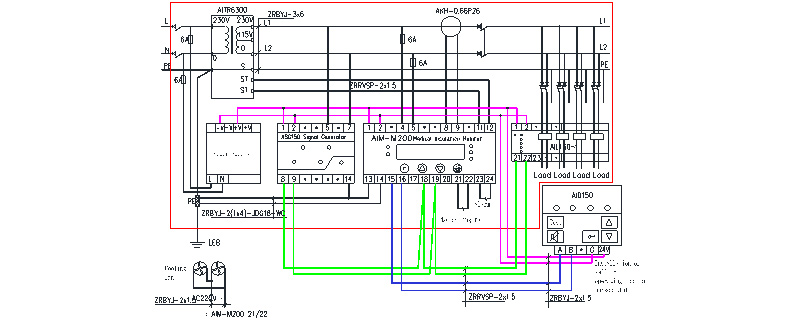
    Malezyjski I.E.D znajduje się w SELANGOR DARUL EHSAN, projekt jest stosowany głównie w szpitalu na wyspie w Malezji, produkty są wykorzystywane do lokalizacji uszkodzeń izolacji 12 obwodów dla 3 zestawów szpitalnego izolowanego systemu zasilania, powiązane produkty to urządzenie monitorujące izolację AIM-M200, generator testu sygnału ASG150, scentralizowany wskaźnik alarmu AID150, lokalizator uszkodzeń izolacji AIL150-8, AIL150-4 i przekładnik prądu upływowego AKH-0,66P26.


    Wprowadzenie do medycznego systemu informatycznego
    Urządzenie do monitorowania izolacji medycznego systemu informatycznego ACREL i system lokalizacji uszkodzeń nadaje się do szpitalnych sal operacyjnych, oddziałów intensywnej terapii (CCU) i innych ważnych miejsc i może zapewnić bezpieczne miejsce dla takich ciągłych, niezawodnych rozwiązań zasilania.


    Rozwiązanie zasilania dla placówek medycznych
    Rozwiązania w zakresie dystrybucji oddziałów intensywnej terapii, oddziałów CCU (na przykład schemat systemu izolowanej szafki elektrycznej GGF-I8G)


    Opcja I bez funkcji lokalizacji uszkodzenia


    Opcja II z funkcją lokalizacji uszkodzeń

    UWAGA: W przypadku rozwiązań w zakresie dystrybucji zasilania oddziałów intensywnej terapii, na stanowisku pielęgniarek należy zainstalować scentralizowane urządzenie alarmowe i wyświetlające serii AID, a personel szpitalny na stanowisku pielęgniarskim monitoruje stan działania każdego izolowanego systemu zasilania.


    Rozwiązania w zakresie dystrybucji do sali operacyjnej (na przykład schemat systemu izolowanej szafki elektrycznej GGF-O8G)

    Opcja I bez funkcji lokalizacji uszkodzenia izolacji


    Opcja II z funkcją lokalizacji uszkodzeń izolacji

    1. W rozwiązaniach do dystrybucji zasilania na sali operacyjnej zewnętrzne urządzenia alarmowe i wyświetlające serii AID należy instalować na inteligentnym panelu wewnątrz sali operacyjnej lub obok inteligentnego panelu (montaż naścienny). Podczas operacji personel medyczny monitoruje stan izolowanego układu zasilania.

    2. W schemacie z funkcją lokalizacji uszkodzeń izolacji, jeżeli liczba zlokalizowanych kanałów jest większa niż osiem, można zastosować dwa zestawy lokalizatorów AIL150. Można zastosować kombinację AIL150-8 i AIL150-4 (do 12 kanałów) lub AIL150 -8 i AIL150-8 (do 16 kanałów).

    3. Typowy schemat połączeń






    4. Wprowadzenie 7-częściowego medycznego IT

    Nazwa i typ produktu Zdjęcie produktu Opis
    Transformator izolacyjny medyczny serii AITR Transformator izolacyjny serii AITR jest specjalnie stosowany w medycznych systemach IT. Uzwojenia posiadają podwójną izolację oraz elektrostatyczną warstwę ekranującą, która redukuje zakłócenia elektromagnetyczne pomiędzy uzwojeniami. Czujnik temperatury PT100 montowany jest w drucianej torbie w celu monitorowania temperatury transformatora. Całość karoserii pokryta jest farbą próżniową, która zwiększa wytrzymałość mechaniczną i odporność na korozję. Produkt charakteryzuje się dobrym wzrostem temperatury i bardzo niskim poziomem hałasu.
    Inteligentny medyczny przyrząd do monitorowania izolacji AIM-M200 Przyrząd do monitorowania izolacji medycznej itelligent AIM-M200 wykorzystuje zaawansowaną technologię mikrokontrolera, która charakteryzuje się wysoką integracją, kompaktowymi rozmiarami, wygodną instalacją oraz integruje itelligence, cyfryzację i łączność sieciową w jednym. Jest to idealny wybór do monitorowania izolacji izolowanych systemów zasilania w lokalizacjach medycznych klasy 2, takich jak sale operacyjne i oddziały intensywnej terapii.
    Przekładnik prądowy AKH-0.66P26 Przekładnik prądowy typu AKH-O 66P26 jest ochronnym przekładnikiem prądowym współpracującym z monitorem izolacji AIM-M200, którego maksymalny mierzalny prąd wynosi 60A, a przekładnia transformatora wynosi 2000:1. Przekładnik prądowy jest bezpośrednio mocowany wewnątrz szafy za pomocą śrub, a strona wtórna jest wyprowadzona przez zacisk, co jest wygodne w montażu i obsłudze.
    Lokalizator uszkodzeń izolacji AIL150-4/AIL150-8 Lokalizator uszkodzeń izolacji AIL150-4/AIL150-8 adopts high sensitivity transformer combined with a high precision signal detecting circuit, which detects the signal imported into the system from the ASG150 test signal generator and accurately locates the circuits which have insulation faults. AIL150-4 insulation fault locator can locate the insulation faults of 4 circuits, and the AIL150-8 insulation fault locator can locate the insulation faults of 8 circuits.
    Generator sygnału testowego ASG150 Generator sygnału testowego ASG150 wykorzystuje 32-bitowy układ mikroprocesorowy i obwód generowania sygnału o wysokiej precyzji, aby zrealizować generowanie określonego sygnału testowego. Gdy w monitorowanym systemie IT występują uszkodzenia izolacji, może on zostać uruchomiony i wygenerować na czas sygnał testowy, współpracując z lokalizatorem uszkodzeń izolacji w celu ustalenia lokalizacji uszkodzenia izolacji.
    Moduł zasilania HDR-60-24 Zasilacz prądu stałego HDR-60-24 może jednocześnie zapewnić zasilanie 24 V DC dla AIM-M200
    medyczny inteligentny przyrząd do monitorowania izolacji, generator sygnału testowego ASG150, lokalizator uszkodzeń izolacji serii AIL150 oraz scentralizowany przyrząd alarmowy i wyświetlający AID150. Zasilacz ma dużą pojemność, stabilne napięcie wyjściowe i wygodną instalację, która może spełnić wymagania dotyczące zasilania wyżej wymienionych mierników i jest zalecanym produktem zasilającym.
    Scentralizowany przyrząd alarmowy i wyświetlający AID1 50 Scentralizowany przyrząd alarmowo-wyświetlający AID150 wykorzystuje wyświetlacz ciekłokrystaliczny LCD i umożliwia wymianę danych z inteligentnym przyrządem do monitorowania izolacji medycznej AIM-M200 za pośrednictwem interfejsu komunikacyjnego RS485, który może monitorować w czasie rzeczywistym wielokanałowe dane inteligentnego przyrządu do monitorowania izolacji medycznej AIM-M200.

    Zdjęcia na miejscu



Acrel spółka z ograniczoną odpowiedzialnością