Prąd znamionowy 80A bezpośrednio
Certyfikat MID
Wysoka klasa dokładności C
Montaż na szynie DIN 35 mm
Wyjście impulsowe
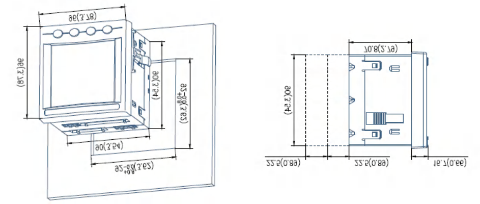
4 moduły o szerokości 72 mm
Do zarządzania energią IoT, fabryki, szkoły
Pomiary True RMS
THD z 63. harmoniczną
Współczynnik K i współczynnik szczytu
Asymetria i kąty fazowe
Zapotrzebowanie i energia wielotaryfowa
Rejestr maks./min. ze znacznikiem czasu
+86-18702106858 / +86-21-69156352
APM810 to trójfazowy, wielofunkcyjny miernik panelowy prądu przemiennego klasy 0,2S, zaprojektowany z myślą o precyzyjnym monitorowaniu energii, diagnostyce jakości energii i rozliczaniu podrzędnych najemców w rozdzielnicach przemysłowych, komercyjnych i centrach danych. Kompaktowa obudowa DIN o wymiarach 96 × 96 mm zawiera kolorowy ekran dotykowy TFT, który wyświetla napięcie rzeczywiste RMS do 690 V, prąd, częstotliwość, moc czynną/bierną/pozorną, PF, zapotrzebowanie, harmoniczne do 63, THD i czterokwadrantowe kWh/kvarh. Podwójny RS485 Modbus-RTU, Ethernet TCP/IP, BACnet/IP, SNMP i opcjonalny Wi-Fi/LoRa zapewniają bezproblemową integrację z BMS/EMS, a wbudowana pamięć 4 MB rejestruje 12-miesięczne profile obciążenia na potrzeby audytów energetycznych. Konfigurowalne alarmy nad/pod napięciem, prądem, PF i harmonicznymi, wyjścia przekaźnikowe lub wejścia cyfrowe do inteligentnego sterowania wyłącznikiem; Rejestry impulsowe, SOE i taryfowe TOU obsługują aplikacje AMI, pomiary sieci słonecznej i ładowanie pojazdów elektrycznych. Szerokie złącze 3×57,7–690 V, 0,001–10 A, bezpośrednie lub przekładnik prądowy/napięciowy oraz uszczelnienie zabezpieczające przed manipulacją, pasują do każdego wdrożenia inteligentnych lub mikrosieci.
| Parametry techniczne | Wartość | |||
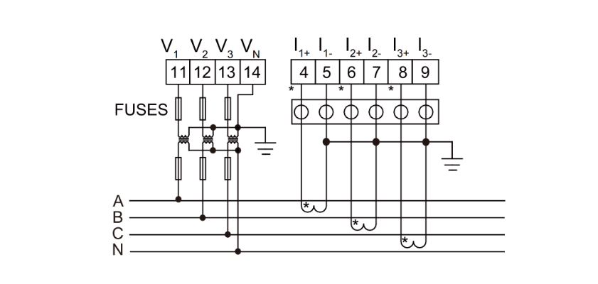
| Wejście | Połączenie | Jednofazowe – 2-przewodowe, 3-fazowe – 3-przewodowe, 3-fazowe – 4-przewodowe | ||
| Częstotliwość | 45-65 Hz | |||
| Napięcie | Ocena: | |||
| jednofazowe: AC 100 V, 400 V | ||||
| Trójfazowe: AC 3×57,7 V/100 V (100 V), 3×220 V/380 V (400 V), 3×380 V/660 V (660 V) (tylko rozmiar 96) | ||||
| Przeciążenie: 1,2-krotna wartość znamionowa (ciągła): 2-krotna wartość znamionowa przez 1 sekundę | ||||
| Pobór mocy: < 0,5 VA | ||||
| Aktualny | Ocena: AC IA、5A | |||
| Przeciążenie: 1,2-krotna ocena (ciągła); 10-krotna ocena przez 1 sekundę | ||||
| Pobór mocy: < 0,5 VA | ||||
| Wyjście | Energia elektryczna | Wyjście mode:open-collector photo-coupler pulse | ||
| Stała impulsu: 10000imp/kWh (ustawiana), szczegółowe informacje można znaleźć na schemacie połączeń; | ||||
| Komunikacja | Port RS485, protokół Modbus -RTU, protokół DLT645 (wersje 07 i 97), | |||
| szybkość transmisji 1200 ~ 38400 | ||||
| Funkcja | Wejście przełączające | Wejście ze stykiem bezpotencjałowym, wbudowany zasilacz; jeśli model to KA, aktywne jest napięcie AC 220 V. | ||
| Wyjście przełączające | Wyjście mode: Relay normally open contact output | |||
| Obciążalność styków: AC 250 V/3 A, DC 30 V/3 A | ||||
| Wyjście analogowe | 4 - 20 mA | |||
| Klasa dokładności | Częstotliwość:0.05Hz,Current、Voltage:0.2 class,Reactive power:l .0class,Reactive Electric energy:l .0class, active power:0.5class,active electric energy: 0.5class,2-31th harmonic measurement:±1% | |||
| Zasilanie | AC/DC 85-265 V lub DC24V(±20%)lub DC48V(±20%) | |||
| pobór mocy ≤10VA | ||||
| Bezpieczeństwo | Napięcie wytrzymywane o częstotliwości sieciowej | Pomiędzy zasilaniem//wyjściem przełączającym// wejściem prądowym//wejściem napięcia a transmisją// komunikacją //wyjściem impulsowym//wejściem przełączającym AC 2 kV 1min; | ||
| Pomiędzy Zasilaniem, wyjściem przełączającym, wejściem prądowym, wejściem napięciowym AC 2 kV 1min; | ||||
| Pomiędzy transmisją, komunikacją, wyjściem impulsowym, wejściem przełączającym AC 1kV 1 min; | ||||
| Rezystancja izolacji | Wejście、Output end to machine enclosure >100MΩ | |||
| Środowisko | Temperatura | praca: -25°C~ 65°C przechowywanie: -40°C ~ 80°C | ||
| Wilgotność | ≤93%RH Bez kondensacji | |||
| Wysokość | ≤2500m | |||
Rozwiązanie do monitorowania zasilania
Założona w 2003 roku firma Acrel Co., Ltd. [Kod giełdowy: 300286.SZ] to zaawansowane technologicznie przedsiębiorstwo specjalizujące się w rozwiązaniach z zakresu zarządzania energią i bezpieczeństwa elektrycznego. Z siedzibą główną w Szanghaju, Acrel oferuje innowacyjne i zrównoważone rozwiązania w zakresie efektywności energetycznej mikrosieci i bezpieczeństwa elektrycznego. Posiadając ponad 600 patentów i praw autorskich do oprogramowania, Acrel wdrożył ponad 28 000 rozwiązań systemowych na całym świecie, tworząc kompleksową architekturę internetową „cloud-edge-end” w zakresie energii.
Acrel Co., Ltd. Jest Hurtownia w Chinach Trójfazowy programowalny licznik energii montowany na panelu Producenci I Trójfazowy programowalny licznik energii montowany na panelu Fabryka. Zintegrowany ekosystem produktów Acrel obejmuje oprogramowanie dla platform chmurowych oraz komponenty dla użytkowników końcowych, obejmując takie sektory jak energetyka, energia odnawialna, centra danych, inteligentne budynki, transport i inteligentne miasta. Rozwiązania te umożliwiają inteligentne zarządzanie energią w czasie rzeczywistym, zwiększając bezpieczeństwo energetyczne i redukując koszty operacyjne. Oferujemy Trójfazowy programowalny licznik energii montowany na panelu na sprzedaż.
Zakład produkcyjny firmy, Jiangsu Acrel Electric Manufacturing Co., Ltd., przestrzega surowych standardów jakości i wytycznych środowiskowych, posiada zaawansowane centra testowe i angażuje się w bezołowiowe procesy produkcyjne. Zespół ponad 500 inżynierów Acrel dostarcza najnowocześniejsze systemy efektywności energetycznej i inteligentne rozwiązania energetyczne.
Dzięki silnej pozycji na rynku krajowym, Acrel aktywnie rozwija się na arenie międzynarodowej, wspierany przez globalną sieć zespołów sprzedaży i technicznych oraz platformę e-commerce, która zapewnia płynną obsługę na całym świecie. Acrel z dumą pomaga firmom zwiększać efektywność, ograniczać zużycie i osiągać cele w zakresie zrównoważonego rozwoju.
Razem budujemy mądrzejszą i bardziej zieloną przyszłość.
Autoryzowane patenty
0+Liczba obsłużonych klientów
0+Łączna liczba pracowników
0+Baza produkcyjna
0m²Zapraszamy do połączenia W kontekście szybkiego rozwoju nowej energetyki, scenariusze takie jak komercyjne i przemysłowe magazyny energii , stacje wymiany akumulatorów , i domowe systemy fotowoltaiczne postawili wyższe wymagania wobec dokładność, zgodność i inteli...
Przeczytaj więcejTło branżowe i znaczenie zastosowań Szyny zbiorcze stanowią szkielet systemów dystrybucji energii elektrycznej w różnych gałęziach przemysłu, od rozdzielnic, napędów przemysłowych, falowników energii odnawialnej, systemów magazynowania energii akumulatorów (BESS) i elektroniki zasilającej poja...
Przeczytaj więcejTło branżowe i znaczenie zastosowań Szybkie przyjęcie pojazdów elektrycznych (EV) stwarza nowe wymagania infrastrukturalne w środowiskach mieszkalnych dla wielu najemców, takich jak kompleksy mieszkalne, budynki o mieszanym przeznaczeniu i domy wielorodzinne. W przeciwieństwie do domów jednoro...
Przeczytaj więcej