
language
Zapraszamy do połączenia
W kontekście szybkiego rozwoju nowej energetyki, scenariusze takie jak komercyjne i przemysłowe magazyny energii , stacje wymiany akumulatorów , i domowe systemy fotowoltaiczne postawili wyższe wymagania wobec dokładność, zgodność i inteligencja z pomiar energii elektrycznej . Acrel Electric opracował pełną gamę nowych rozwiązań w zakresie oprzyrządowania wspomagającego energię. Rozwiązania te są projektowane na zamówienie pod kątem podstawowych wymagań różnych scenariuszy zastosowań, obejmujących potrzeby pomiarowe, od zastosowań domowych o małej mocy po wielkoskalowe przemysłowe i komercyjne systemy magazynowania energii. Rozwiązania zapewniają niezawodne wsparcie dla stabilnej pracy i precyzyjnego opomiarowania nowych systemów energetycznych.
Fotowoltaika i magazynowanie energii w budynkach mieszkalnych stanowią ważny scenariusz zastosowań w popularyzacji nowej energii. Firma Acrel opracowała wysoce kompatybilne produkty instrumentalne przeznaczone do różnych scenariuszy cząstkowych, w tym dopasowanie falowników do magazynowania energii, integracja falowników hybrydowych, balkonowe systemy fotowoltaiczne i przejrzyste systemy przesyłu mikroenergii z punktu do punktu . Produkty te równoważą integrację, szybkość pomiaru i elastyczność komunikacji.
W odpowiedzi na specyfikę rynku dotyczącą kompatybilności wielu marek w systemach fotowoltaicznych i magazynowaniu energii, przyjęto konfigurację przekładnika prądowego RS485, aby uwzględnić niepewne warunki instalacji dla profesjonalnych agentów. Przyrządy posiadają międzynarodowe certyfikaty CE-MID, UL i RCM. Dzięki szybkiej częstotliwości odświeżania danych wynoszącej 50 ms urządzenia obsługują również regulację kolejności faz, zapewniając dokładne pomiary i dużą kompatybilność.
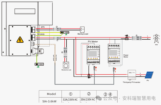
W przypadku wysokich wymagań integracyjnych w przypadku projektów inwerterów magazynujących energię typu „wszystko w jednym” oraz wymagań w zakresie pomiarów dwukanałowych w scenariuszach modernizacji, przyrządy są wyposażone w szybkozłącza napięciowe i prądowe oraz porty komunikacyjne RJ45. Obsługują także częstotliwość odświeżania danych 50 ms i regulację kolejności faz, a także kompleksowy system certyfikacji, dzięki czemu nadają się zarówno do scenariuszy modernizacji, jak i nowych instalacji.
Rozwiązanie to, zaprojektowane specjalnie dla rozproszonych systemów fotowoltaicznych i magazynowania energii małej mocy na balkonach, równoważy wysoką integrację z wygodną instalacją i uruchomieniem. Oprócz dwukanałowy pomiar i zaciski szybkozłączne , również obsługuje Funkcje debugowania WiFi, WiFi HaLow i Bluetooth . Bezprzewodowa konstrukcja znacznie upraszcza instalację w małych scenariuszach, a produkt posiada certyfikat CE-RED.
Aby zająć się słaba penetracja i niestabilna wydajność sieci z traditional WiFi in micro-energy storage scenarios, WiFi HaLow Zastosowano technologię komunikacyjną (Sub-1 GHz). W porównaniu z tradycyjnym Wi-Fi zapewnia większą zdolność penetracji i dłuższą odległość transmisji. W porównaniu z komunikacją LoRa oferuje wyższą prędkość transmisji i lepszą stabilność. Urządzenie natywnie obsługuje tę technologię, wymagając jedynie dodatkowego punktu dostępowego po stronie falownika, aby umożliwić komunikację bezprzewodową. Obsługuje także szybką konfigurację sieci jeden do jednego i jeden do wielu, dzięki czemu nadaje się do domowych systemów multiinwerterowych i mikromagazynów balkonowych.
Przemysłowe i komercyjne magazyny energii, wielkoskalowe magazyny energii oraz stacje wymiany akumulatorów wymagają rygorystycznych standardów w zakresie dokładności pomiarów, szybkości odświeżania, elastyczności instalacji i zgodności z przepisami. Acrel dostarcza produkty do osadzenia i montażu na szynie DIN w oparciu o kluczowe wymagania, takie jak fakturowanie wielotaryfowe, pomiar zapotrzebowania, zabezpieczenie przed odwrotnym przepływem mocy i komunikacja bezprzewodowa , obsługując zarówno nowe instalacje, jak i aplikacje modernizacyjne.
APM521 uzyskał zagraniczny certyfikat CSA (UL) i zapewnia dokładność pomiaru energii czynnej do klasy 0,2 s (klasa D). Jest wyposażony w pamięć karty SD, na której można przechowywać parametry elektryczne w czasie rzeczywistym. Modułowa konstrukcja modułu rozszerzeń jednostki głównej umożliwia montaż zarówno w obudowie, jak i na szynie DIN, spełniając zróżnicowane wymagania instalacyjne w nowych projektach.
Jest to miernik klasy 0,5S z zewnętrznym przekładnikiem prądowym, szeroko stosowany w aplikacjach dużych klientów. Obsługuje okablowanie modernizacyjne wtórnego przekładnika prądowego i może bezpośrednio zaciskać prąd strony wtórnej istniejących przekładników prądowych, dzięki czemu doskonale nadaje się do projektów modernizacji liczników. Produkt posiada certyfikaty CPA, CE i UL, a także można go dostosować do wersji z szybkim odświeżaniem, aby spełnić wymagania aplikacji o wysokiej wydajności.
Ponadto rozwiązania przemysłowe i komercyjne integrują również funkcje ochrony przed przeciążeniem. System można podłączyć do scenariuszy magazynowania energii po stronie wysokiego i niskiego napięcia i może współpracować z wielotaryfowymi licznikami energii elektrycznej w celu uzyskania dokładnych pomiarów energii elektrycznej w ramach różnych struktur taryfowych, zapewniając kompleksowe wsparcie w zakresie bezpieczeństwa i zarządzania energią dla przemysłowych i komercyjnych systemów magazynowania energii oraz stacji wymiany akumulatorów.
W kontekście ciągłych ulepszeń w nowym przemyśle energetycznym Acrel będzie w dalszym ciągu koncentrować się na innowacjach i dalszym ulepszaniu swojej nowej technologii i systemu produktów wspierających energię. Celem firmy jest dostarczanie bardziej wydajnych, inteligentnych i niezawodnych rozwiązań pomiar energii elektrycznej solutions do komercyjnych i przemysłowych magazynów energii, stacji wymiany akumulatorów oraz domowych zastosowań w zakresie magazynowania energii fotowoltaicznej, pomagając promować wysokiej jakości rozwój nowego przemysłu energetycznego.
Prawa autorskie © Acrel Co., Ltd. Wszelkie prawa zastrzeżone.
